Inspiration durch Licht
RR-Lichtkonzepte bietet maßgeschneiderte Beleuchtungslösungen für Wohn-, Gewerbe- und Sonderprojekte.
Technisches Fachwissen wird mit kreativem Design kombiniert, um individuelle Lichtkonzepte zu entwickeln, die Funktionalität und Ästhetik harmonisch miteinander verbinden.

Ihr Experte für Lichtplanung
Als langjähriger Elektroingenieur für Gebäudetechnik habe ich früh Erfahrung in der Lichtplanung gesammelt. Meine Begeisterung für Licht und dessen Wirkung führte zur Selbstständigkeit als Lichtplaner. Aufbauend auf meiner Ausbildung zum Elektroniker für Betriebstechnik (IHK) sowie einem Studium als Elektroingenieur entstehen maßgeschneiderte, kreative und technisch fundierte Lichtkonzepte für Innenräume, Außenanlagen sowie Architektur- und Landschaftsbeleuchtung.

Künstlerwohnung in Großkrotzenburg
3D-Visualisierung und Umsetzung der Beleuchtung einer Künstlerwohnung.
Werkstatt Mannheim
Visualisierung und Berechnung für einen Beleuchtungstausch einer Werkstatt für Schaltschrankbau.
Wohnung in Wiesbaden
Erstellung einer KI-Simulation der Beleuchtung für maßgeschreinerte Möbel in einer Eigentumswohnung.
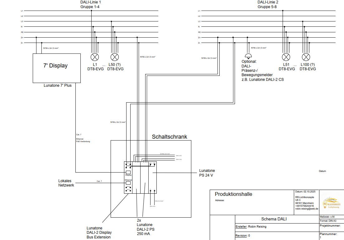
DALI Schema für Produktionshalle
Erstellung eines DALI-Schemas für eine Produktionshalle für eine Elektroinstallationsfirma.
Kontakt
Telefon: +49 1575 8244416
E-Mail: info@rr-lichtkonzepte.de
Adresse: U6 3, 68161, Mannheim, Baden-Württemberg, Deutschland








